Przekładnia ślimakowa przełożenie 10:1 RV30-10-63B14
Producent:
…lub zaloguj się i sprawdź niższe ceny, oraz inne korzyści!
Przekładnia ślimakowa RV30-10-63B14
Przekładnia ślimakowa Wagney RV30-10-63B14 to kompaktowy reduktor zaprojektowany do montażu z silnikami o kołnierzu IEC 63 B14. Dzięki przełożeniu 10:1 zapewnia stabilne zwiększenie momentu obrotowego przy umiarkowanym obniżeniu prędkości, co sprawia, że jest idealna do zastosowań automatycznych i napędowych, gdzie liczy się precyzja i wysoka sprawność.
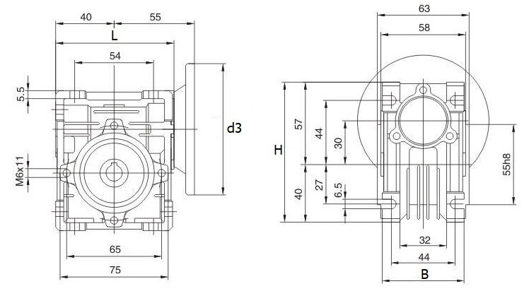
Parametry techniczne
Mechaniczna wielkość przekładni to 30, co zapewnia kompaktowe wymiary i łatwą integrację z małymi silnikami. Średnica kołnierza (d3) 90 mm, co ułatwia montaż z jednostkami napędowymi o standardzie B14. Oś wejściowa (wał silnika) ma średnicę 11 mm, a tuleja drążona wyjściowa (zdawcza) 14 mm, co gwarantuje solidne przenoszenie momentu. Wymiary: wysokość 97 mm, szerokość – 56 mm, a długość – 80 mm. Korpus jest wykonany z aluminium i pokryty powłoką z tworzywa sztucznego, co zmniejsza masę i zapewnia odporność na korozję. Ślimak oraz ślimacznica wykonane są odpowiednio ze stali i brązu, co przekłada się na trwałość i płynność pracy. Mechanizm jest fabrycznie nasmarowany, co zmniejsza potrzebę częstej obsługi konserwacyjnej.
Charakterystyka pracy
Dzięki przełożeniu 10:1 przekładnia generuje stabilny moment przy relatywnie niskiej redukcji prędkości. Charakteryzuje się najwyższą sprawnością mechaniczną i jest w pełni odwracalna, co pozwala na precyzyjne sterowanie napędem i długą eksploatację bez nadmiernego zużycia. Mechanika ślimakowa skutecznie tłumi drgania i redukuje hałas, co zwiększa komfort pracy systemu.
Zastosowania przemysłowe
Model ten sprawdzi się w automatyce maszyn, urządzeniach pozycjonujących, przenośnikach oraz robotyce, gdzie wymagane jest zwiększenie momentu bez utraty płynności ruchu. Może być także wykorzystywany w modernizacjach napędów, jako zamiennik dla innych skrzyń biegów o podobnej klasie wielkości.
Zalety użytkowe
- – Efektywne zwiększenie momentu dzięki przełożeniu 10:1 i bardzo wysoka sprawność.
- – Odwracalny i stabilny układ napędowy.
- – Kompaktowa konstrukcja (wielkość mechaniczna 30) oszczędza miejsce.
- – Lekka obudowa aluminiowa z powłoką z tworzywa sztucznego.
- – Trwała mechanika: stalowy ślimak i brązowa ślimacznica.
- – Fabryczne smarowanie – mniej koniecznych interwencji serwisowych.
- – Dopasowanie do silników IEC 63B14 przez kołnierz 90 mm.
- – Pewne połączenie wyjściowe dzięki tulei drążonej 14 mm.
Podsumowanie
Przekładnia ślimakowa RV30-10-63B14 to wszechstronny i niezawodny reduktor ślimakowy. To idealne rozwiązanie do aplikacji wymagających zwiększonego momentu, wysokiej sprawności, precyzyjnej kontroli prędkości i kompaktowej budowy.

Informacje dodatkowe
| Waga | 1,21 kg |
|---|---|
| Szerokość B [mm] | 56 |
| Przełożenie | 10:1 |
| Długość L [mm] | 80 |
| Średnica kołnierza d3 [mm] | 90 |
| Wysokość H [mm] | 97 |
| Wielkość mechaniczna | 30 |
| Średnica osi silnika [mm] | 11 |
| Średnica wału zdawczego [mm] | 14 |
Polecane produkty
Podobne produkty
- Zaloguj się, aby zobaczyć ceny
- Zaloguj się, aby zobaczyć ceny
- Zaloguj się, aby zobaczyć ceny
- Zaloguj się, aby zobaczyć ceny
- Zaloguj się, aby zobaczyć ceny








Opinie
Brak opinii.
Tylko zalogowani klienci, którzy kupili ten produkt, mogą dodać opinię.