Przekładnia ślimakowa przełożenie 100:1 RV75-100-80B14
Producent:
…lub zaloguj się i sprawdź niższe ceny, oraz inne korzyści!
Przekładnia ślimakowa RV75-100-80B14
Przekładnia ślimakowa Wagney RV75-100-80B14 to masywny i wytrzymały reduktor o wielkości mechanicznej 75 (NMRV 075), zaprojektowany do współpracy z silnikami o kołnierzu IEC 80B14. Dzięki maksymalnemu przełożeniu 100:1, urządzenie generuje bardzo wysoki moment obrotowy przy minimalnej prędkości wyjściowej, zapewniając jednocześnie pełną samohamowność.
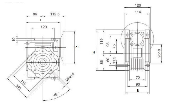
Parametry Techniczne i Montażowe
- – Przełożenie: 100:1.
- – Wejście (Silnik): Kołnierz 120mm (B14), otwór na wał 19mm.
- – Wyjście: Tuleja drążona o średnicy 28mm
- – Wymiary przybliżone: Długość 174mm, Szerokość 127mm (bez kołnierza), Wysokość 205mm.
Konstrukcja i Materiały
Obudowa wykonana jest z wysokociśnieniowego odlewu aluminium, co zapewnia relatywnie niską masę i odporność na korozję.
- – Mechanizm: Stalowy ślimak i ślimacznica z brązu zapewniają trwałość.
- – Samohamowność: Przy przełożeniu 100:1 przekładnia jest samohamowna – wał wyjściowy blokuje się po zatrzymaniu silnika, co jest kluczowe w dźwignicach i podnośnikach.
- – Smarowanie: Fabrycznie zalana olejem syntetycznym na cały okres eksploatacji (bezobsługowość).
Zastosowania Przemysłowe
Model ten jest dedykowany do najcięższych zadań w swojej klasie: wolnoobrotowych mieszadeł, dozowników, pieców obrotowych oraz systemów podnoszenia, gdzie wymagana jest blokada mechanizmu po wyłączeniu zasilania.
Zalety Użytkowe
- – Maksymalne wzmocnienie momentu (przełożenie 100:1).
- – Pełna samohamowność układu.
- – Solidna tuleja wyjściowa 28mm.
- – Standardowy kołnierz IEC 80B14 – łatwa integracja.
- – Bezobsługowa praca (olej syntetyczny).
Podsumowanie
Reduktor RV75-100-80B14 to potężne rozwiązanie do wolnoobrotowych napędów. Gwarantuje stabilność, bezpieczeństwo (samohamowność) i wysoką odporność na obciążenia w trudnych warunkach przemysłowych.

Informacje dodatkowe
| Waga | 5,43 kg |
|---|---|
| Szerokość B [mm] | 112 |
| Przełożenie | 100:1 |
| Długość L [mm] | 120 |
| Średnica kołnierza d3 [mm] | 120 |
| Wysokość H [mm] | 2.46 |
| Wielkość mechaniczna | 50 |
| Średnica osi silnika [mm] | 19 |
| Średnica wału zdawczego [mm] | 28 |
Polecane produkty
Podobne produkty
- Zaloguj się, aby zobaczyć ceny
- Zaloguj się, aby zobaczyć ceny
- Zaloguj się, aby zobaczyć ceny
- Zaloguj się, aby zobaczyć ceny
- Zaloguj się, aby zobaczyć ceny









Opinie
Brak opinii.
Tylko zalogowani klienci, którzy kupili ten produkt, mogą dodać opinię.