Przekładnia ślimakowa przełożenie 20:1 RV050-20-71B14
Producent:
…lub zaloguj się i sprawdź niższe ceny, oraz inne korzyści!
Przekładnia ślimakowa RV050-20-71B14
Przekładnia ślimakowa Wagney RV050-20-71B14 to solidny reduktor o mechanicznej wielkości 50, zaprojektowany do współpracy z silnikami z kołnierzem IEC 71B14. Dzięki przełożeniu 20:1 zapewnia znaczne zwiększenie momentu obrotowego przy relatywnym zmniejszeniu prędkości, co czyni ją idealną do aplikacji wymagających stabilnej mocy i kontroli ruchu.
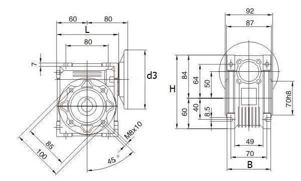
Parametry techniczne
Mechaniczna wielkość przekładni wynosi 50. Przełożenie tej skrzyni to 20:1. Średnica kołnierza montażowego (d3) wynosi 105 mm. Wał silnika wejściowy ma średnicę 14 mm, natomiast tuleja drążona wyjściowa (zdawcza) to 25 mm. Wymiary obudowy to długość 120 mm, szerokość 85 mm i wysokość 144 mm. Obudowa wykonana jest z aluminium i posiada powłokę z tworzywa sztucznego w celu zwiększenia odporności na korozję. Kluczowe elementy mechanizmu to stalowy ślimak oraz brązowa ślimacznica, co daje dużą trwałość i płynność działania.
Charakterystyka pracy
Dzięki przełożeniu 20:1, przekładnia generuje większy moment przy umiarkowanym spadku prędkości. Charakteryzuje się wysoką sprawnością i stabilnością, co jest korzystne w systemach napędowych wymagających siły do ruszania ze startu. Konstrukcja ślimakowa zapewnia płynną i cichą pracę, a także skutecznie tłumi drgania.
Zastosowania przemysłowe
Model RV050-20-71B14 doskonale sprawdzi się w aplikacjach automatyki, przenośnikach, maszynach pozycjonujących, robotyce, a także w urządzeniach podnoszących, gdzie stabilne przenoszenie momentu jest kluczowe.
Zalety użytkowe
- – Skuteczne zwiększenie momentu dzięki przełożeniu 20:1.
- – Wysoka sprawność mechaniczna.
- – Kompatybilność z silnikami IEC 71B14 dzięki kołnierzowi 105 mm.
- – Lekka i trwała obudowa aluminiowa z powłoką chroniącą przed korozją.
- – Wytrzymała konstrukcja – stalowy ślimak i brązowa ślimacznica.
- – Płynna i cicha praca dzięki ślimakowej mechanice.
- – Fabryczne smarowanie – mniejsza potrzeba konserwacji.
- – Pewna tuleja drążona o średnicy 25 mm – solidne połączenie z napędem.
Podsumowanie
Polecamy przekładnię ślimakową RV050-20-71B14 jako niezawodny i efektywny reduktor ślimakowy. Dzięki optymalnemu przełożeniu, wytrzymałej konstrukcji i wysokiej niezawodności jest to idealne rozwiązanie do systemów przemysłowych wymagających trwałego momentu i precyzyjnego sterowania ruchem.

Informacje dodatkowe
| Waga | 3,5 kg |
|---|---|
| Szerokość B [mm] | 85 |
| Długość L [mm] | 120 |
| Średnica kołnierza d3 [mm] | 105 |
| Wysokość H [mm] | 144 |
| Wielkość mechaniczna | 50 |
| Średnica osi silnika [mm] | 14 |
| Średnica wału zdawczego [mm] | 25 |
Polecane produkty
Podobne produkty
- Zaloguj się, aby zobaczyć ceny
- Zaloguj się, aby zobaczyć ceny
- Zaloguj się, aby zobaczyć ceny
- Zaloguj się, aby zobaczyć ceny
- Zaloguj się, aby zobaczyć ceny









Opinie
Brak opinii.
Tylko zalogowani klienci, którzy kupili ten produkt, mogą dodać opinię.