Przekładnia ślimakowa przełożenie 20:1 RV50-30-71B5
Producent:
…lub zaloguj się i sprawdź niższe ceny, oraz inne korzyści!
Przekładnia ślimakowa RV-50-30-71B5
Przekładnia ślimakowa Wagney RV50-30-71B5 to solidny reduktor o mechanicznej wielkości 50, przeznaczony do współpracy z silnikami z kołnierzem IEC 71B5. Dzięki przełożeniu 20:1 zapewnia znaczne zwiększenie momentu obrotowego przy jednoczesnym obniżeniu prędkości, co czyni ją idealnym komponentem do napędów przemysłowych wymagających dużej siły i precyzyjnej kontroli.
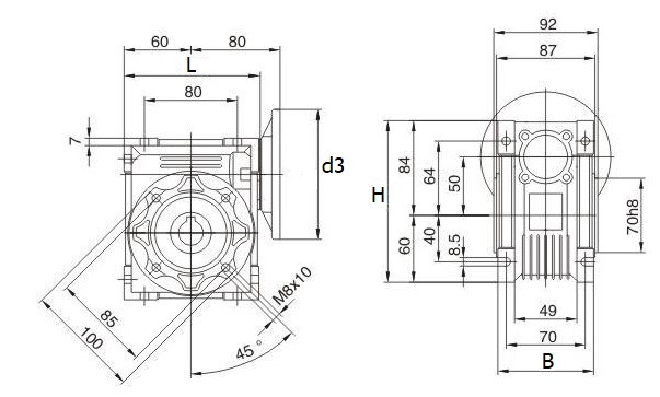
Parametry mechaniczne
- Wielkość mechaniczna: 50.
- Przełożenie: 20:1.
- Średnica kołnierza (d3): 160 mm (standard dla 71B5).
- Średnica osi silnika (wejściowej): 14 mm.
- Średnica tulei drążonej wyjściowej (zdawczej): 25 mm (standard dla RV50).
- Wymiary obudowy: długość L ≈ 120 mm, szerokość B ≈ 85 mm, wysokość H ≈ 144 mm.
- Masa przekładni to około 3,5 kg.
Konstrukcja i materiały
Obudowa wykonana jest z lekkiego aluminium i malowana proszkowo (antykorozyjna powłoka), co zapewnia odporność na korozję, przy jednoczesnym zachowaniu niskiej masy. Elementy napędowe stanowią stalowy ślimak oraz ślimacznica z brązu – kombinacja, która gwarantuje trwałość i płynną pracę przez długie godziny użytkowania.
Zastosowania
Przekładnia RV50-30-71B5 będzie doskonałym wyborem w systemach automatyki, maszynach przemysłowych, przenośnikach, urządzeniach pozycjonujących czy robotyce. Sprawdzi się wszędzie tam, gdzie ważny jest solidny moment, trwałość i precyzyjna regulacja prędkości.
Zalety użytkowe
- – Znacznie zwiększony moment dzięki przełożeniu 20:1.
- – Odporna, aluminiowa obudowa malowana proszkowo.
- – Trwały mechanizm złożony ze stalowego ślimaka i brązowej ślimacznicy.
- – Stabilne działanie i tłumienie drgań dzięki konstrukcji ślimakowej.
- – Fabryczne smarowanie – mniej pracy konserwacyjnej.
- – Szeroka kompatybilność z silnikami IEC poprzez kołnierz 71B5 (16 mm).
- – Pewna tuleja drążona o średnicy 25 mm.
Podsumowanie
Przekładnia ślimakowa RV50-30-71B5 o przełożeniu 20:1 to trwały i wszechstronny reduktor, który zapewnia wysoki moment, płynną pracę i stabilność działania w szerokim zakresie zastosowań przemysłowych. Solidna konstrukcja z aluminiową obudową oraz zestawem stal-brąz gwarantuje długą żywotność, a jednolite smarowanie zmniejsza potrzebę obsługi serwisowej. Model jest kompatybilny z silnikami IEC 71B5, co umożliwia łatwą integrację z istniejącymi systemami.

Informacje dodatkowe
| Waga | 3,5 kg |
|---|---|
| Szerokość B [mm] | 85 |
| Przełożenie | 20:1 |
| Długość L [mm] | 120 |
| Średnica kołnierza d3 [mm] | 160 |
| Wysokość H [mm] | 144 |
| Wielkość mechaniczna | 50 |
| Średnica osi silnika [mm] | 14 |
| Średnica wału zdawczego [mm] | 25 |
Polecane produkty
Podobne produkty
- Zaloguj się, aby zobaczyć ceny
- Zaloguj się, aby zobaczyć ceny
- Zaloguj się, aby zobaczyć ceny
- Zaloguj się, aby zobaczyć ceny
- Zaloguj się, aby zobaczyć ceny









Opinie
Brak opinii.
Tylko zalogowani klienci, którzy kupili ten produkt, mogą dodać opinię.