Przekładnia ślimakowa przełożenie 30:1 RV30-30-56B14
Producent:
…lub zaloguj się i sprawdź niższe ceny, oraz inne korzyści!
Przekładnia ślimakowa RV30-30-56B14
Przekładnia ślimakowa Wagney RV30-30-56B14 to trwały i kompaktowy reduktor zaprojektowany dla silników z kołnierzem IEC 56B14. Dzięki przełożeniu 30:1 gwarantuje istotny wzrost momentu przy obniżonej prędkości wyjściowej, co czyni ją odpowiednią do aplikacji wymagających stabilnego momentu i precyzyjnej kontroli.
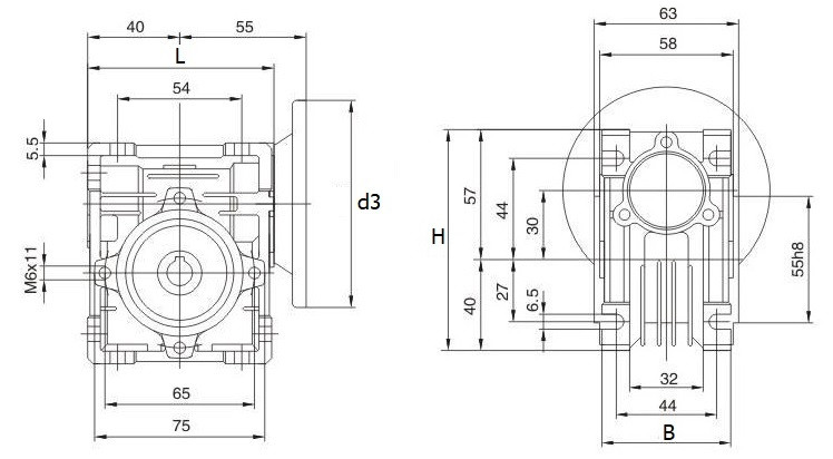
Parametry mechaniczne
- – Wielkość mechaniczna przekładni to 30.
- – Przełożenie wynosi 30:1.
- – Średnica kołnierza (d3) wynosi 80 mm.
- – Średnica wału wejściowego (oś silnika) to 9 mm, co jest zgodne z typowymi wałami stosowanymi w małych silnikach IEC.
- – Średnica tulei drążonej to 14 mm, co umożliwia pewne przeniesienie momentu.
- – Gabaryty obudowy: wysokość (H) to 97 mm, szerokość (B) – 56 mm, długość (L) – 80 mm.
- – Obudowa wykonana jest z lekkiego odlewu aluminium i malowana proszkowo dla ochrony przed korozją.
Konstrukcja i materiały
Ślimak reduktora zrobiono ze stali, a ślimacznicę – z brązu, co zapewnia trwałość, płynną pracę i długą żywotność mechanizmu. Mechanizm jest fabrycznie nasmarowany, co minimalizuje konieczność przeprowadzania częstych czynności serwisowych i zapewnia niezawodne działanie w długim okresie. Przy przełożeniu 30:1 przekładnia wykazuje cechę częściowej samohamowności (opór przy próbie obrotu od strony wyjścia), co zwiększa stabilność po zatrzymaniu. Konstrukcja ślimakowa zapewnia stabilność, tłumienie drgań i relatywnie cichą pracę, co jest korzystne w aplikacjach wymagających precyzji.
Zastosowania przemysłowe
Model RV30-30-56B14 jest idealny do maszyn automatyki, przenośników, robotyki, systemów podnoszenia i wszędzie tam, gdzie potrzebny jest stabilny moment i kontrola prędkości. Kompaktowa obudowa i popularny kołnierz B14 umożliwiają łatwą integrację z typowymi silnikami przemysłowymi.
Zalety użytkowe
- – Znaczący wzrost momentu dzięki przełożeniu 30:1.
- – Lekka obudowa aluminiowa z powłoką ochronną – mniejsza masa, dobra odporność.
- – Wytrzymała konstrukcja ślimaka ze stali i ślimacznicy z brązu.
- – Stabilność pracy i tłumienie drgań dzięki przekładni ślimakowej.
- – Fabryczne smarowanie – mniejsze wymagania serwisowe.
- – Standardowy kołnierz B14 (80 mm) – szeroka kompatybilność z silnikami IEC.
Podsumowanie
Oferujemy reduktor RV30-30-56B14 jako sprawdzone rozwiązanie dla małych napędów. Dzięki zgodności ze standardami IEC i NMRV, gwarantuje łatwą integrację i długą żywotność.

Informacje dodatkowe
| Waga | 1,22 kg |
|---|---|
| Szerokość B [mm] | 56 |
| Przełożenie | 30:1 |
| Długość L [mm] | 80 |
| Średnica kołnierza d3 [mm] | 80 |
| Wysokość H [mm] | 97 |
| Wielkość mechaniczna | 30 |
| Średnica osi silnika [mm] | 9 |
| Średnica wału zdawczego [mm] | 14 |
Polecane produkty
Podobne produkty
- Zaloguj się, aby zobaczyć ceny
- Zaloguj się, aby zobaczyć ceny
- Zaloguj się, aby zobaczyć ceny
- Zaloguj się, aby zobaczyć ceny
- Zaloguj się, aby zobaczyć ceny










Opinie
Brak opinii.
Tylko zalogowani klienci, którzy kupili ten produkt, mogą dodać opinię.