Przekładnia ślimakowa przełożenie 5:1 RV30-5-63B5
Producent:
…lub zaloguj się i sprawdź niższe ceny, oraz inne korzyści!
Przekładnia ślimakowa RV30-5-63B5
Przekładnia ślimakowa Wagney RV30-5-63B5 to kompaktowy reduktor o rozmiarze mechanicznym 30, zaprojektowany do współpracy z silnikami elektrycznymi o kołnierzu IEC 63B5. Przełożenie 5:1 pozwala na umiarkowany wzrost momentu przy zachowaniu wysokiej prędkości wyjściowej. Jest to idealny komponent do napędów wymagających wysokiej sprawności i płynności pracy.
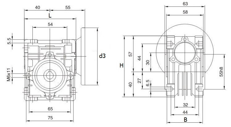
Konstrukcja i Montaż
Obudowa wykonana jest z lekkiego stopu aluminium, co zapewnia niską masę i odporność na korozję. Przekładnia składa się ze stalowego ślimaka oraz ślimacznicy z brązu, co gwarantuje trwałość mechanizmu.
- – Wejście (Silnik): Kołnierz 140 mm (B5), otwór na wał silnika 11 mm (standard IEC 63).
- – Wyjście: Tuleja drążona o średnicy 14 mm, umożliwiająca montaż wałka jednostronnego lub dwustronnego.
- – Wymiary: 80 (dł.) × 56 (szer.) × 97 (wys.) mm.
Charakterystyka Pracy
Dzięki niskiemu przełożeniu (5:1), przekładnia ta charakteryzuje się wysoką sprawnością i niskimi stratami energii. Należy pamiętać, że przy tym przełożeniu przekładnia jest odwracalna (nie posiada cechy samohamowności), co pozwala na swobodny ruch układu po wyłączeniu napędu. Mechanizm jest fabrycznie nasmarowany syntetycznym olejem na cały okres eksploatacji (bezobsługowy).
Zastosowania Przemysłowe
Model RV30-5-63B5 nadaje się idealnie do napędów wentylatorów, lekkich przenośników, mieszadeł szybkoobrotowych oraz maszyn pakujących, gdzie wymagana jest redukcja obrotów bez dużej straty mocy.
Zalety Użytkowe
- – Wysoka prędkość wyjściowa i dobra sprawność (Przełożenie 5:1).
- – Standard montażowy IEC 63B5 (wał 11 mm, kołnierz 140 mm).
- – Lekka, aluminiowa obudowa.
- – Stabilna tuleja wyjściowa 14 mm.
- – Brak konieczności konserwacji (smarowanie dożywotnie).
Podsumowanie
Oferujemy reduktor RV30-5-63B5 jako niezawodne rozwiązanie dla aplikacji wymagających małej redukcji i wysokiej kultury pracy. Dzięki uniwersalnym wymiarom montażowym jest to produkt łatwy w integracji z szeroką gamą silników elektrycznych.

Informacje dodatkowe
| Waga | 1,47 kg |
|---|---|
| Szerokość B [mm] | 56 |
| Przełożenie | 5:1 |
| Długość L [mm] | 80 |
| Średnica kołnierza d3 [mm] | 140 |
| Wysokość H [mm] | 97 |
| Wielkość mechaniczna | 30 |
| Średnica osi silnika [mm] | 11 |
| Średnica wału zdawczego [mm] | 14 |
Polecane produkty
Podobne produkty
- Zaloguj się, aby zobaczyć ceny
- Zaloguj się, aby zobaczyć ceny
- Zaloguj się, aby zobaczyć ceny
- Zaloguj się, aby zobaczyć ceny
- Zaloguj się, aby zobaczyć ceny










Opinie
Brak opinii.
Tylko zalogowani klienci, którzy kupili ten produkt, mogą dodać opinię.