Przekładnia ślimakowa przełożenie 60:1 RV25-60-56B14
Producent:
…lub zaloguj się i sprawdź niższe ceny, oraz inne korzyści!
Przekładnia ślimakowa RV25-60-56B14
Przekładnia ślimakowa Wagney RV25-60-56B14 to kompaktowy reduktor o mechanicznej wielkości 25, zaprojektowany do współpracy z silnikami wyposażonymi w kołnierz IEC 56B14. Dzięki przełożeniu 60:1 zapewnia znaczne zwiększenie momentu wyjściowego przy jednoczesnym ograniczeniu prędkości, co czyni ją idealnym rozwiązaniem dla aplikacji wymagających dużej siły, samohamowności i stabilnej transmisji mocy.
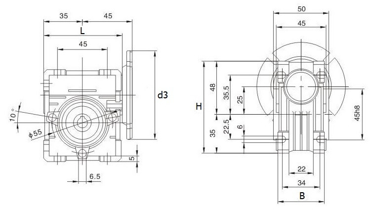
Parametry mechaniczne
Nominalne przełożenie wynosi 60:1. Średnica kołnierza (d3) to 80 mm, co ułatwia jego połączenie z silnikami o standardzie B14. Wał wejściowy (oś silnika) ma średnicę 9 mm, a tuleja drążona wyjściowa (zdawcza) ma średnicę 11 mm (jest to standard dla RV25), co pozwala na solidne sprzężenie z maszyną docelową. Wymiary obudowy przedstawiają się następująco: długość L = 71 mm, szerokość B = 42 mm, wysokość H = 83 mm. Obudowa wykonana jest z aluminium i malowana proszkowo, co zapewnia odporność na korozję przy niskiej masie.
Konstrukcja i materiały
Mechanizm ślimakowy zawiera stalowy ślimak oraz ślimacznicę z brązu, co gwarantuje trwałość, płynność pracy i dużą wytrzymałość na zużycie. Przekładnia jest fabrycznie nasmarowana, co minimalizuje potrzebę konserwacji i zwiększa niezawodność działania przez długi czas pracy. Dzięki wysokiemu przełożeniu 60:1 reduktor generuje bardzo duży moment na wyjściu przy minimalnej prędkości, co umożliwia precyzyjną kontrolę ruchu i stabilne działanie. Konstrukcja ślimakowa zapewnia tłumienie drgań i cichą pracę.
Zastosowania przemysłowe
Ten model sprawdzi się doskonale w aplikacjach automatyki, systemach pozycjonujących, urządzeniach dźwignicowych oraz maszynach transportowych – szczególnie tam, gdzie istotne jest uzyskanie wysokiego momentu, niskiej prędkości oraz bezpieczeństwa dzięki samohamowności.
Zalety użytkowe
- – Wysoka siła dzięki przełożeniu 60:1.
- – Gwarantowana samohamowność – mechanizm blokuje obciążenie.
- – Lekka, aluminiowa obudowa malowana proszkowo.
- – Trwałość elementów – stalowy ślimak i brązowa ślimacznica.
- – Fabryczne smarowanie – minimalne prace serwisowe.
- – Pewna tuleja zdawcza 11 mm – solidne sprzęganie z maszyną.
- – Kompatybilność z silnikami B14 poprzez kołnierz 80 mm.
Podsumowanie
Przekładnia ślimakowa RV25-60-56B14 to wydajny i wytrzymały reduktor ślimakowy. To idealne rozwiązanie tam, gdzie potrzebny jest ekstremalny moment obrotowy, stabilna praca przy niskich prędkościach i bezpieczeństwo zapewniane przez samohamowność.

Informacje dodatkowe
| Waga | 0,69 kg |
|---|---|
| Szerokość B [mm] | 42 |
| Przełożenie | 60:1 |
| Długość L [mm] | 71 |
| Średnica kołnierza d3 [mm] | 80 |
| Wysokość H [mm] | 83 |
| Wielkość mechaniczna | 25 |
| Średnica osi silnika [mm] | 9 |
| Średnica wału zdawczego [mm] | 11 |
Polecane produkty
Podobne produkty
- Zaloguj się, aby zobaczyć ceny
- Zaloguj się, aby zobaczyć ceny
- Zaloguj się, aby zobaczyć ceny
- Zaloguj się, aby zobaczyć ceny
- Zaloguj się, aby zobaczyć ceny









Opinie
Brak opinii.
Tylko zalogowani klienci, którzy kupili ten produkt, mogą dodać opinię.