Przekładnia planetarna kątowa HPZS60-04MB NEMA23 1:4 wał silnika 8mm
Producent:
…lub zaloguj się i sprawdź niższe ceny, oraz inne korzyści!
Przekładnia planetarna kątowa HPZS60-04MB
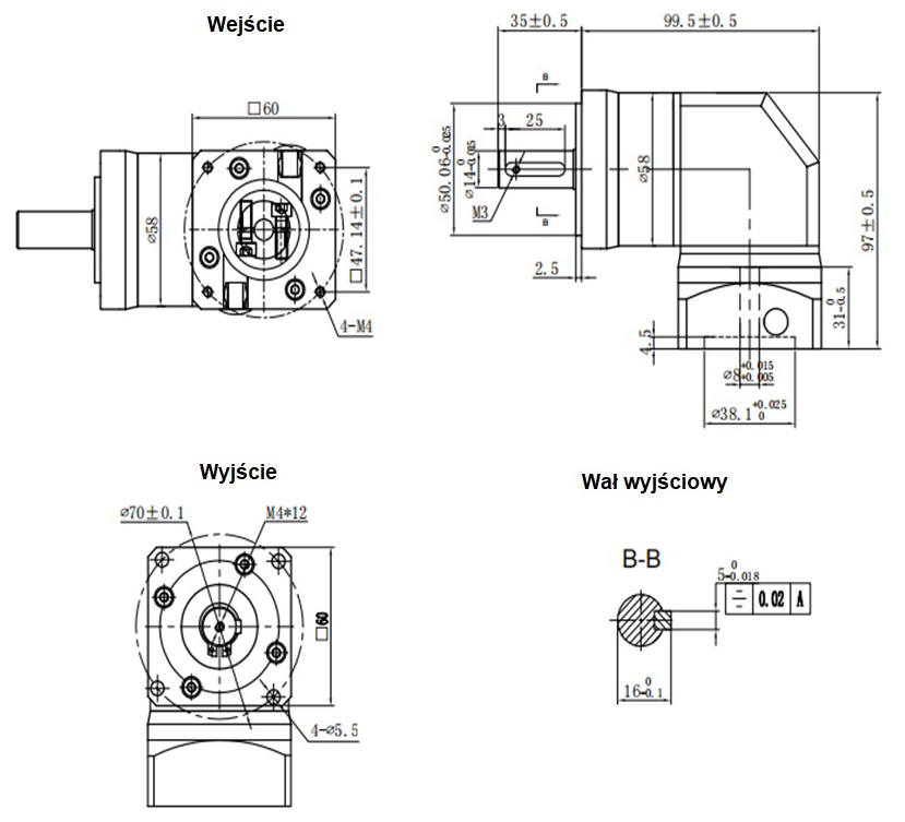
Przekładnia planetarna kątowa Wagney HPZS60-04MB została zaprojektowana do współpracy z silnikami o standardzie NEMA 23 (57 × 57 mm). Przełożenie wynosi 1:4, co daje dobry kompromis między momentem a prędkością. Obciążenie znamionowe to 25 Nm. Wał wejściowy ma średnicę 8 mm, co umożliwia bezpośrednie połączenie z odpowiednim wałem silnika. Wał wyjściowy ma średnicę 20mm. Przekładnia ma rozmiar kołnierza 57 × 57 mm. Kątowa budowa przekładni pozwala na przekazywanie momentu pod kątem 90°, co może być przydatne w kompaktowych układach napędowych.
Sprawność przekładni wynosi aż 96%, co oznacza małe straty energii przy redukcji prędkości. Standardowy luz kątowy (backlash) to maksymalnie ≤ 10 arcmin, co przekłada się na wysoką precyzję pozycjonowania. Żywotność pracy przekładni wynosi około 20 000 godzin, co świadczy o solidnej, trwałej konstrukcji. Maksymalne dopuszczalne obciążenie promieniowe wynosi 1000 N, a obciążenie osiowe to 800 N, co pozwala na stosowanie przekładni w aplikacjach, gdzie obciążenia boczne lub osiowe mogą być znaczne.
Prędkości wejścia i smarowanie
Znamionowa prędkość wejściowa wynosi 3000 obr./min, a maksymalna dopuszczalna prędkość wejścia to 6000 obr./min, co daje dużą elastyczność w doborze silnika. Przekładnia jest nasmarowana fabrycznie (smar), co eliminuje potrzebę dodatkowego smarowania przez cały okres eksploatacji. Hałas pracy przekładni wynosi nie więcej niż 55 dB, co pozwala na stosowanie w środowiskach, gdzie ważna jest redukcja drgań i szumów.
Zastosowania przemysłowe
Dzięki połączeniu wysokiej sprawności, niskiego luzu kątowego i kompaktowego rozmiaru, HPZS60-04MB idealnie nadaje się do aplikacji wymagających precyzyjnego pozycjonowania, takich jak układy CNC, automatyka, robotyka lub napędy krokowe. Kątowa konstrukcja pozwala na elastyczne prowadzenie mechanizmów nawet w ograniczonej przestrzeni, co zwiększa uniwersalność tej przekładni w projektach przemysłowych.
Wysoka sprawność oznacza mniejsze straty energii i mniejsze generowanie ciepła. Niski luz kątowy zapewnia precyzyjne pozycjonowanie, co jest kluczowe w aplikacjach serwo i krokowych. Fabryczne smarowanie pozwala na użytkowanie bez regularnych konserwacji smarowych. Konstrukcja kątowa i kompaktowe wymiary ułatwiają instalację w ograniczonych przestrzeniach.
Podsumowanie
Nasza przekładnia planetarna kątowa Wagney HPZS60-04MB to precyzyjny i wydajny reduktor zaprojektowany dla NEMA 23. Dzięki wysokiej sprawności, niskim drganiom i trwałości stanowi solidne rozwiązanie do systemów pozycjonowania, CNC czy robotyki.

Informacje dodatkowe
| Waga | 1,7 kg |
|---|---|
| Wymiary | 6 × 13,5 × 10 cm |
| Przełożenie | 1:4 |
| Wielkość | Nema23 |
| Sprawność % poj. redukcja | 96 |
| Sprawność % podw. redukcja | Nie dotyczy |
| Smarowanie | Smar (nasmarowany na cały okres eksploatacji) |
| Stopnie przełożenia poj. redukcja | 4 |
| Stopnie przełożenia podw. redukcja | Nie dotyczy |
| Obciążenie znamionowe [Nm] podw. redukcja | Nie dotyczy |
| Luz standardowy Arcmin poj. redukcja | ≤10 |
| Luz standardowy Arcmin podw. redukcja | Nie dotyczy |
| Średnica wału | 8 mm |
| Średnica wału wyjściowego | 20 mm |
| Rozmiar kołnierza | 57×57 mm |
| Rodzaj przekładni | Planetarna |
| Poziom hałasu (dB) | ≤55 |
Polecane produkty
Podobne produkty
- Zaloguj się, aby zobaczyć ceny
- Zaloguj się, aby zobaczyć ceny
- Zaloguj się, aby zobaczyć ceny
- Zaloguj się, aby zobaczyć ceny
- Zaloguj się, aby zobaczyć ceny







Opinie
Brak opinii.
Tylko zalogowani klienci, którzy kupili ten produkt, mogą dodać opinię.