Przekładnia planetarna silnika krokowego SC57STH NEMA23 1:4 wał silnika 6.35mm
Producent:
…lub zaloguj się i sprawdź niższe ceny, oraz inne korzyści!
Przekładnia planetarna SC57STH 1:4
Przekładnia planetarna Wagney SC57STH 1:4 została stworzona do współpracy z silnikami krokowymi w standardzie NEMA 23 (57 × 57 mm). Zasadniczą cechą tego modelu jest zapewnienie zwiększonego momentu wyjściowego przy umiarkowanym spadku prędkości dzięki przełożeniu 1:4. Zapewnia to płynne, stabilne ruchy i lepszą kontrolę nad elementami wykonawczymi.
Znamionowy moment przekładni wynosi około 30 Nm, co pozwala na efektywne przeniesienie siły w wielu zastosowaniach przemysłowych. W ekstremalnych warunkach przekładnia może przenieść moment do 90 Nm, co daje zapas mocy dla bardziej wymagających mechanizmów. Sprawność mechanizmu to aż 95%, co minimalizuje straty energii przy pracy. Luz kątowy (backlash) ograniczony jest do ≤ 15 arcmin, co gwarantuje dużą precyzję pozycjonowania nawet przy dynamicznych zmianach obciążenia.
Konstrukcja mechaniczna i obciążenia
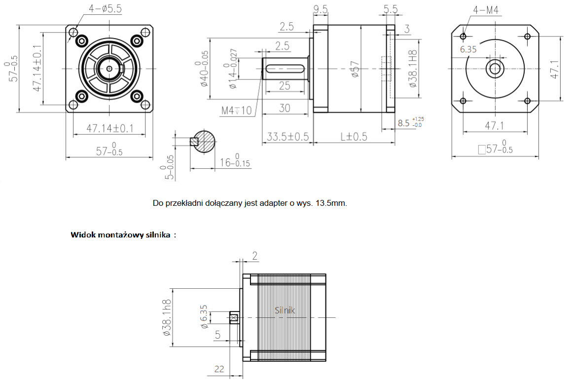
Wał wejściowy przekładni ma średnicę 6,35 mm, co umożliwia bezproblemowe połączenie z typowymi silnikami NEMA 23. Średnica wału wyjściowego wynosi 14 mm, co zapewnia trwały i stabilny interfejs mechaniczny. Przekładnia została zaprojektowana tak, by wytrzymać maksymalne obciążenie promieniowe 580 N, co pozwala na radzenie sobie z siłami bocznymi bez utraty żywotności. Dopuszczalne obciążenie osiowe wynosi 340 N, co sprawia, że przekładnia dobrze sprawdzi się w aplikacjach, w których występują również siły skierowane wzdłuż osi wału. Urządzenie waży ~0.8 kg.
Mechanizm jest fabrycznie nasmarowany wysokiej jakości smarem, który nie wymaga uzupełniania w normalnym cyklu pracy. Dzięki temu konstrukcja jest praktycznie bezobsługowa. Zapewniamy żywotność na poziomie ok. 20 000 godzin, co przekłada się na długotrwałą i niezawodną eksploatację. Znamionowa prędkość wejściowa tej przekładni wynosi 3000 obr./min, a maksymalna dopuszczalna to 5000 obr./min. Pomimo wysokiego momentu, model działa relatywnie cicho – poziom hałasu nie przekracza 60 dB.
Zastosowania
Model SC57STH 1:4 to doskonały wybór dla systemów automatyki, maszyn CNC, robotyki i urządzeń pozycjonujących. Sprawdzi się tam, gdzie konieczne jest zwiększenie momentu bez znacznej redukcji prędkości, a także tam, gdzie liczy się precyzja i trwałość.
Zalety użytkowe
- – Wyraźne zwiększenie momentu bez dużej utraty prędkości dzięki przełożeniu 1:4.
- – Wyjątkowo wysoka sprawność przekładni (95%) dla lepszego wykorzystania mocy.
- – Niski luz (≤ 15 arcmin ) – idealny dla aplikacji wymagających precyzyjnego pozycjonowania.
- – Fabryczne smarowanie zapewniające bezobsługową pracę przez wiele godzin.
- – Wysoka odporność na obciążenia boczne (580 N) oraz osiowe (340 N).
- – Trwała, solidna konstrukcja z wałem wyjściowym 14 mm.
Podsumowanie
Oferujemy przekładnię SC57STH 1:4 jako wszechstronny i wydajny komponent do systemów napędowych. Dzięki mocnej budowie, wysokiej nośności i precyzji, sprawdzi się w wymagających aplikacjach, które potrzebują stabilnego momentu i dokładnej kontroli.

Informacje dodatkowe
| Waga | 0,8 kg |
|---|---|
| Wymiary | 5,7 × 8,7 × 5,7 cm |
| Przełożenie | 1:4 |
| Waga (kg) | 0.8 |
| Wielkość | Nema23 |
| Poziom hałasu (dB) | ≤45 |
| Stopnie przełożenia poj. redukcja | 4 |
| Stopnie przełożenia podw. redukcja | Nie dotyczy |
| Obciążenie znamionowe [Nm] poj. redukcja | 30 |
| Obciążenie znamionowe [Nm] podw. redukcja | Nie dotyczy |
| Max. Obciążenie [Nm] poj. redukcja | 90 |
| Max. Obciążenie [Nm] podw. redukcja | Nie dotyczy |
| Sprawność % poj. redukcja | 95 |
| Sprawność % podw. redukcja | Nie dotyczy |
| Luz standardowy Arcmin poj. redukcja | ≤15 |
| Luz standardowy Arcmin podw. redukcja | Nie dotyczy |
| Stopień ochronny IP | 65 |
| K (L-mm) | 53 |
| Znamionowa prędkość wejściowa (rpm) | 3000 |
| Maksymalna prędkość wejścia (rpm) | 5000 |
| Smarowanie | Smar (nasmarowany na cały okres eksploatacji) |
| Żywotność (h) | ~20000 |
| Średnica wału | 6.35 mm |
| Średnica wału wyjściowego | 14 mm |
| Rozmiar kołnierza | 57×57 mm |
| Rodzaj przekładni | Planetarna |
| Maks. dopuszczalne obciążenie promieniowe [N] | 580 |
| Maks. dopuszczalne obciążenie osiowe [N] | 340 |
Polecane produkty
Podobne produkty
- Zaloguj się, aby zobaczyć ceny
- Zaloguj się, aby zobaczyć ceny
- Zaloguj się, aby zobaczyć ceny
- Zaloguj się, aby zobaczyć ceny
- Zaloguj się, aby zobaczyć ceny









Opinie
Brak opinii.
Tylko zalogowani klienci, którzy kupili ten produkt, mogą dodać opinię.