loading
  • Ul. 1 Pułku Ułanów Krechowieckich 18 16-300 Augustów, Polska
  • Poniedziałek - Piątek 08:00 - 16:00

Dodaj do ulubionych

Uchwyt widełkowy ISO-CA-050 Mocowanie do siłownika D 50 mm Ucho proste

Symbol: XC-P-S-C-CFM-050
EAN: 0089926086862
Kategoria:

Producent:

Uchwyt widełkowy ISO-CA-050 Mocowanie do siłownika D 50 mm Ucho proste

Informacje dodatkowe

Waga0,192 kg
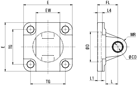
Do siłownika fi ⌀

50mm

EW

32

FL

27

L1 [mm]

5

L4 [mm]

6.5

M%R%

12

⌀CD

12

⌀D

40

TG [mm]

46.5

Długość L [mm]

16

E [mm]

65

Opinie

Brak opinii.

Tylko zalogowani klienci, którzy kupili ten produkt, mogą dodać opinię.